GB50017 2014钢结构设计规范是一款国家标准管理组最新推出的,载的标准值、 荷载分项系数、 荷载组合系数、 动力荷载的动力系数以及按结构安全等级确定的重要性系数,共有261页,规范内容完整,从设计原则、结构体系等等方面做了介绍,有用到这款GB50017规范的用户可以通过winwin7分享的地址来获取。
钢结构设计规范2014内容节选
目 次
1 总 则 ......................................................... 6
2术语和符号 ... 7
2.1 术语 .............. 7
2.2 符 号 .......... 10
3 基本设计规定 ............................................................... 16
3. 1设计原则 ............................................................... 16
3. 2结构体系 ............................................................... 18
3. 3荷载和作用 ........................................................... 19
3. 4结构或构件变形的规定 ....................................... 20
3. 5截面设计等级 ....................................................... 21
3. 6 钢结构抗震设计 ................................................... 22
4材料和材料选用 ........................................................... 23
4.1 钢材牌号及标准 .......................................................... 23
4.2 连接材料型号及标准 .................................................. 23
4.3 材料选用 .... 24
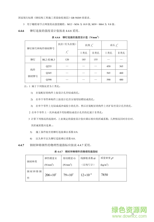
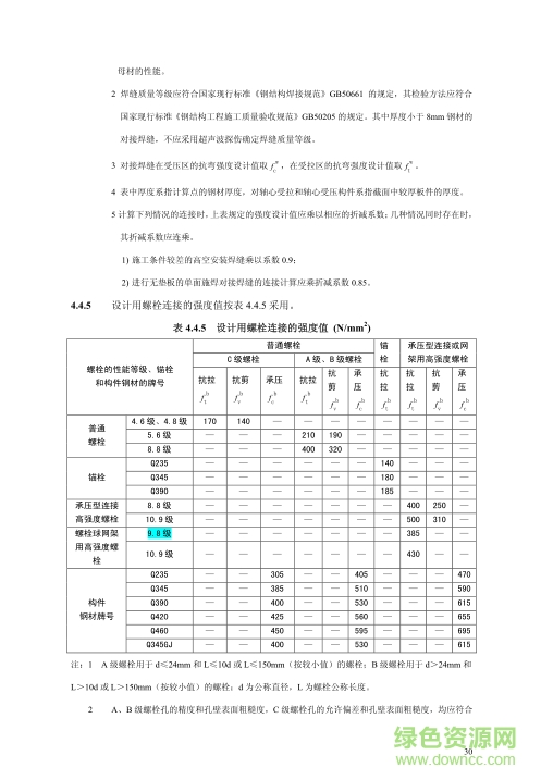
4.4 设计指标和设计参数 .................................................. 26
5? 结构分析与稳定性设计 ............................................... 32
5.1 一般规定 .... 32
5.2 初始缺陷 ............................................................... 33
5.3 一阶弹性分析与设计 ........................................... 35
5.4 二阶弹性分析与设计 ........................................... 35
5.5 直接分析设计法 ................................................... 36
6 受弯、受剪和受扭构件的计算及梁的设计 ............... 38
6.1 受弯、受剪构件的强度 ................................................ 38
6.2 受弯构件的整体稳定 .................................................... 40
6.3 受扭构件的强度及整体稳定 ...................................... 43
6.4 局部稳定 .... 43
gb50017 2014简介



如果无法打开可以先安装一下闪电PDF阅读器绿色版
http://www.winwin7.com/soft/16165.html
以上便是WinWin7小编给大家分享介绍的GB50017 2014钢结构设计规范。
上一篇:肖秀荣1000题PDF电子版
下一篇:ISO26262 PDF电子版


OneBlack
驱动人生10
360解压缩软件2023
看图王2345最新版
WPS Office 2019免费办公软件
QQ浏览器2023 v11.5绿色版精简版(去广告纯净版)
下载酷我音乐盒2023
酷狗音乐播放器|酷狗音乐下载安装 V2023官方版
360驱动大师离线版|360驱动大师网卡版官方下载 v2023
【360极速浏览器】 360浏览器极速版(360急速浏览器) V2023正式版
【360浏览器】360安全浏览器下载 官方免费版2023 v14.1.1012.0
【优酷下载】优酷播放器_优酷客户端 2019官方最新版
腾讯视频播放器2023官方版
【下载爱奇艺播放器】爱奇艺视频播放器电脑版 2022官方版
2345加速浏览器(安全版) V10.27.0官方最新版